990-91278C-001

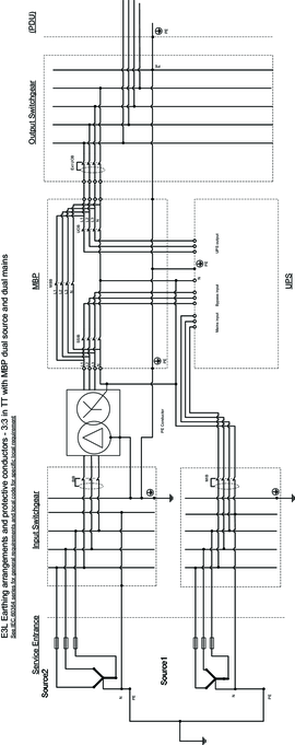
Easy UPS 3L 3:3 TT System with MBP Dual Source Dual Mains

QR Code is a registered trademark of DENSO WAVE INCORPORATED in Japan and other countries.

Was this helpful?