Απενεργοποίηση ή μετακίνηση του παράλληλου πίνακα παράκαμψης συντήρησης σε νέα θέση
- Απενεργοποιήστε πλήρως το UPS - ακολουθήστε τις οδηγίες στο εγχειρίδιο λειτουργίας του UPS.
- Ασφαλίστε και επισημάνετε όλους τους ασφαλειοδιακόπτες στον ηλεκτρικό πίνακα στη θέση OFF (ανοικτή).
- Ασφαλίστε και επισημάνετε όλους τους ασφαλιοδιακόπτες μπαταρίας στη λύση ηλεκτρικού πίνακα/μπαταρίας στη θέση OFF (ανοικτή).
- Βεβαιωθείτε
ότι όλοι οι
ανάντη ασφαλειοδιακόπτες
βρίσκονται
στη θέση OFF (ανοικτή).
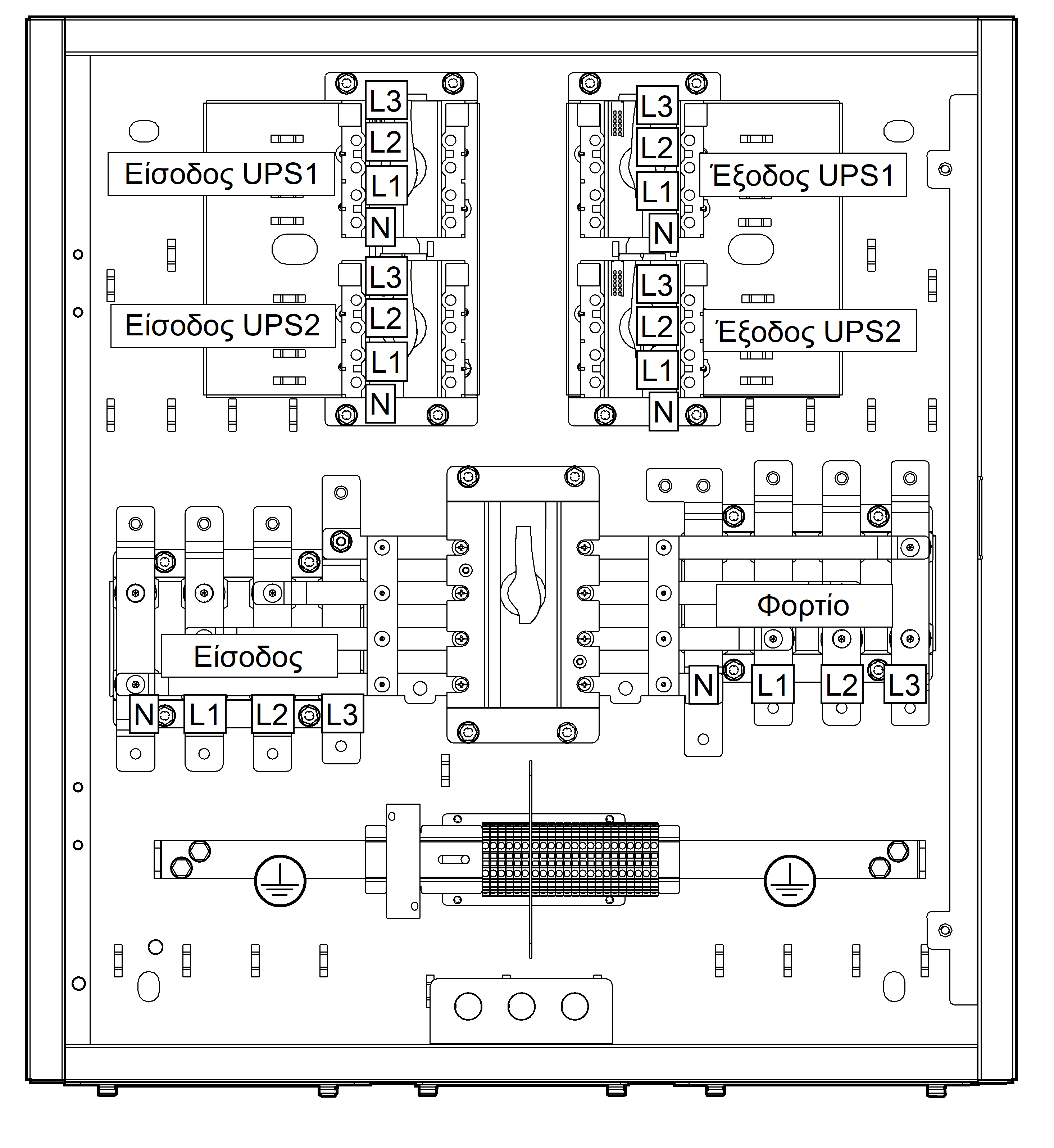
ΚΙΝΔΥΝΟΣΚίνδυνος ηλεκτροπληξίας, έκρηξης ή εκδήλωσης τόξουΒεβαιωθείτε ότι όλοι οι ανάντη ασφαλειοδιακόπτες βρίσκονται στη θέση OFF (ανοικτή).Αν δεν τηρηθούν αυτές οι οδηγίες, θα προκληθεί θάνατος ή σοβαρός τραυματισμός. - Ανοίξτε την μπροστινή θύρα του παράλληλου πίνακα παράκαμψης συντήρησης.
- Ασφαλίστε και επισημάνετε τα UIB1, UIB2, UOB1, UOB2 και MBB στον παράλληλο πίνακα παράκαμψης συντήρησης στη θέση OFF (ανοικτή).
- Αφαιρέστε τις βίδες και ανοίξτε την εσωτερική θύρα στον παράλληλο πίνακα παράκαμψης συντήρησης.
- Μετρήστε
και επαληθεύστε
την ΑΠΟΥΣΙΑ
τάσης σε κάθε
αγωγό εισόδου/παράκαμψης,
αγωγό εισόδου
UPS/παράκαμψης
UPS, αγωγό εξόδου
UPS και αγωγό φορτίου
πριν συνεχίσετε.
ΚΙΝΔΥΝΟΣΚΙΝΔΥΝΟΣ ΗΛΕΚΤΡΟΠΛΗΞΙΑΣ, ΕΚΡΗΞΗΣ Ή ΕΚΔΗΛΩΣΗΣ ΤΟΞΟΥΜετρήστε και επαληθεύστε την ΑΠΟΥΣΙΑ τάσης σε κάθε αγωγό εισόδου/παράκαμψης, αγωγό εισόδου UPS/παράκαμψης UPS, αγωγό εξόδου UPS και αγωγό φορτίου πριν συνεχίσετε.Αν δεν τηρηθούν αυτές οι οδηγίες, θα προκληθεί θάνατος ή σοβαρός τραυματισμός. - Αποσυνδέστε και αφαιρέστε όλα τα καλώδια τροφοδοσίας από τον παράλληλο πίνακα παράκαμψης συντήρησης. Για λεπτομέρειες, βλ. Συνδέστε τα καλώδια τροφοδοσίας στο GVSBPAR10K30H, Σύνδεση των καλωδίων τροφοδοσίας στο GVSBPAR40K50H για σύστημα UPS 3:1, Σύνδεση των καλωδίων τροφοδοσίας στο GVSBPAR40K50H για σύστημα UPS 3:3, Σύνδεση των καλωδίων τροφοδοσίας στο GVSBPAR60K120H για σύστημα UPS 3:1 ή Σύνδεση των καλωδίων τροφοδοσίας στο GVSBPAR60K120H για σύστημα UPS 3:3.
- Αποσυνδέστε και αφαιρέστε όλα τα καλώδια σήματος από τον παράλληλο πίνακα παράκαμψης συντήρησης. Για λεπτομέρειες, βλ. Σύνδεση των καλωδίων σήματος για τα UPS Galaxy VS ή Σύνδεση των καλωδίων σήματος για τα Easy UPS 3S και Easy UPS 3M.
- Αφαιρέστε
τις τέσσερις
βίδες από τον
τοίχο και αφαιρέστε
τον παράλληλο
πίνακα παράκαμψης
συντήρησης
από τον τοίχο.
ΠΡΟΣΟΧΗΒαρύ φορτίοΤο GVSBPAR10K30H ζυγίζει 35 kg, το GVSBPAR40K50H ζυγίζει 86 kg και το GVSBPAR60K120H ζυγίζει 110 kg. Χρησιμοποιήστε τα κατάλληλα εργαλεία για να σηκώσετε με ασφάλεια τον παράλληλο πίνακα παράκαμψης συντήρησης.Αν δεν τηρηθούν αυτές οι οδηγίες, μπορεί να προκληθεί τραυματισμός ή βλάβη στον εξοπλισμό. - Κλείστε την εσωτερική θύρα και στερεώστε την με τις βίδες.
- Κλείστε και κλειδώστε την μπροστινή θύρα του παράλληλου πίνακα παράκαμψης συντήρησης.
- Για μεταφορά:
ΠΡΟΕΙΔΟΠΟΙΗΣΗΚίνδυνος ΚΛΙΣΗΣΓια τη μεταφορά του παράλληλου πίνακα παράκαμψης συντήρησης, βεβαιωθείτε:- ότι το προσωπικό που εκτελεί τη μεταφορά διαθέτει τις απαραίτητες δεξιότητες και έχει λάβει επαρκή εκπαίδευση,
- ότι χρησιμοποιούνται τα κατάλληλα εργαλεία για την ασφαλή ανύψωση και μεταφορά του προϊόντος,
- ότι το προϊόν προστατεύεται από ζημιές με χρήση κατάλληλης προστασίας (όπως περιτύλιγμα ή συσκευασία).
Αν δεν τηρηθούν αυτές οι οδηγίες, μπορεί να προκληθεί θάνατος, σοβαρός τραυματισμός ή βλάβη στον εξοπλισμό.Απαιτήσεις μεταφοράς:
-
Τοποθετήστε τον παράλληλο πίνακα παράκαμψης συντήρησης σε οριζόντια θέση στο κέντρο μιας κατάλληλης παλέτας η οποία έχει ελάχιστες διαστάσεις: 1000 mm x 1200 mm. Η παλέτα πρέπει να είναι κατάλληλη για το βάρος του παράλληλου πίνακα παράκαμψης συντήρησης (35-110 kg).
-
Τοποθετήστε τον παράλληλο πίνακα παράκαμψης συντήρησης στην παλέτα με κατάλληλα μέσα στερέωσης που να αντέχουν στις δονήσεις και τους κραδασμούς κατά τη φόρτωση, τη μεταφορά και την εκφόρτωση.
-
Η αρχική παλέτα αποστολής σε συνδυασμό με τα αρχικά άγκιστρα μεταφοράς μπορεί να επαναχρησιμοποιηθεί, εάν είναι σε άθικτη κατάσταση.
ΠΡΟΕΙΔΟΠΟΙΗΣΗΜη αναμενόμενη συμπεριφορά εξοπλισμούΜην ανυψώνετε απευθείας τον παράλληλο πίνακα παράκαμψης συντήρησης με περονοφόρο όχημα / παλετοφόρο, καθώς ο εν λόγω πίνακας μπορεί να λυγίσει ή να υποστεί ζημιά.Αν δεν τηρηθούν αυτές οι οδηγίες, μπορεί να προκληθεί θάνατος, σοβαρός τραυματισμός ή βλάβη στον εξοπλισμό. - Εκτελέστε
μία από τις
ακόλουθες ενέργειες:
- Απενεργοποιήστε τον παράλληλο πίνακα παράκαμψης συντήρησης Ή
- Μετακινήστε τον παράλληλο πίνακα παράκαμψης συντήρησης σε νέα θέση για να τον εγκαταστήσετε.
- Μόνο για την εγκατάσταση του παράλληλου πίνακα παράκαμψης συντήρησης σε νέα θέση: Ακολουθήστε το εγχειρίδιο εγκατάστασης για να εγκαταστήσετε τον παράλληλο πίνακα παράκαμψης συντήρησης στη νέα θέση. Για επισκόπηση της εγκατάστασης, βλ. Διαδικασία εγκατάστασης για το Galaxy VS ή Διαδικασία εγκατάστασης για τα Easy UPS 3S και Easy UPS 3M. Η επανεγκατάσταση και η εκκίνηση πρέπει να πραγματοποιούνται αποκλειστικά από καταρτισμένο προσωπικό.



