Módulo repetidor aislado RS 485 de dos conductores
Introducción
La interfaz IFM con número de referencia STRV00210 no está aislada. Debe usarse un módulo repetidor aislado RS 485 de 2 hilos para aislar eléctricamente una red Modbus RS 485 de 2 conductores dentro del equipo eléctrico de una red Modbus RS 485 de dos conductores fuera del equipo eléctrico.
Para obtener información sobre la instalación, consulte S1A2181101, Repetidor aislado RS 485 de dos conductores - Hoja de instrucciones .
Compatibilidad del hardware
El módulo repetidor aislado RS 485 de 2 hilos es compatible con la interfaz IFM con número de referencia STRV00210 .
La interfaz IFM con número de referencia LV434000 no requiere el uso de un módulo repetidor aislado RS 485 de dos conductores en una red Modbus.
Descripción del hardware
Conexión Modbus entre dos equipos eléctricos
Cuando la red Modbus no está incluida dentro del equipo eléctrico, el módulo repetidor aislado RS 485 de 2 hilos debe insertarse entre la red Modbus dentro del equipo eléctrico y la red Modbus fuera del equipo eléctrico.
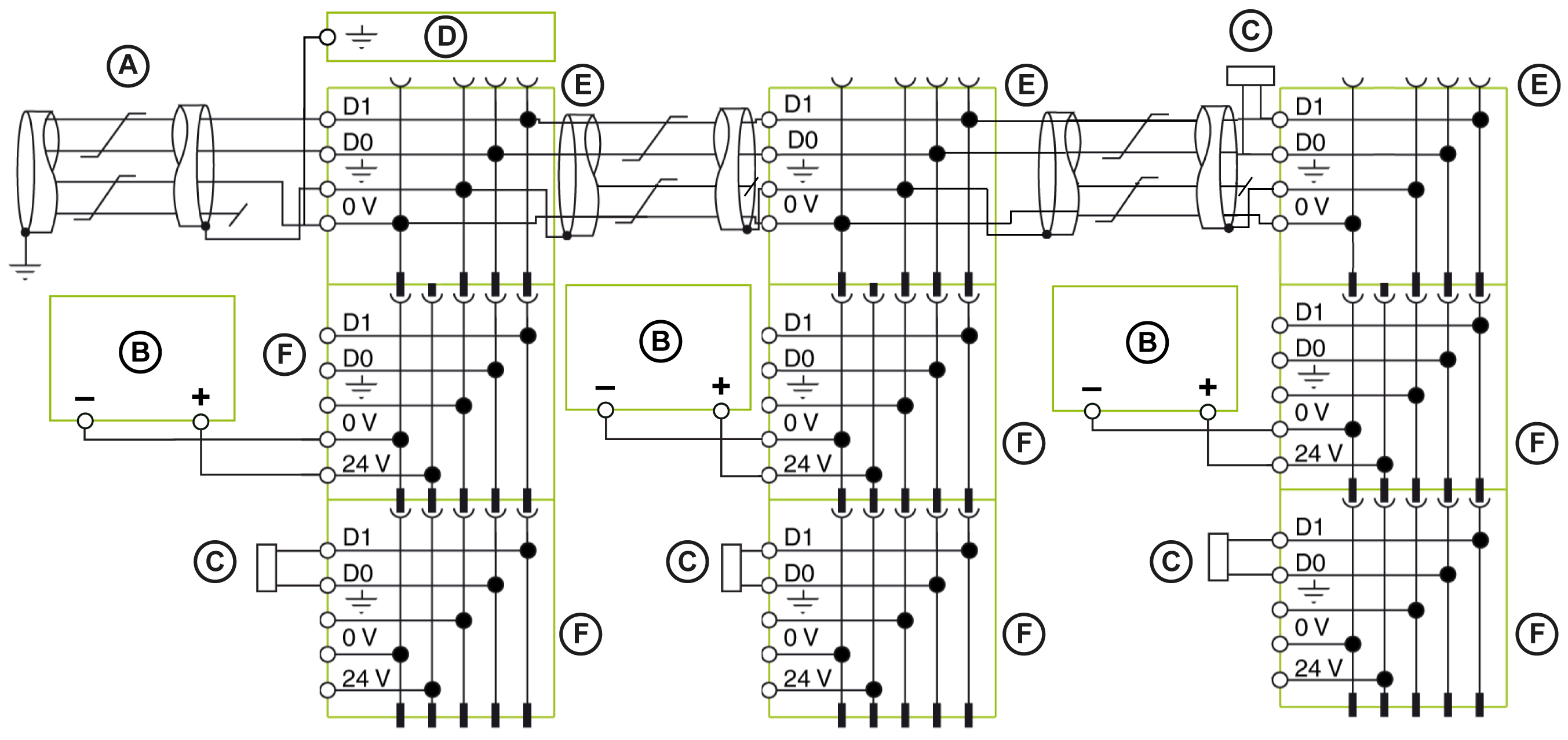
En la figura siguiente se muestra una conexión Modbus entre tres equipos eléctricos S1 , S2 y S3 a través de módulos repetidor aislado RS 485 de 2 hilos : En este ejemplo, el terminal Modbus de 0 V debe estar conectado al cliente Modbus por un solo punto de la línea Modbus, y ningún otro dispositivo debe tener 0 V conectados a tierra.
|
A |
Módulo Repetidor aislado RS 485 de 2 hilos |
|
B |
Interfaces IFM agrupadas en islas con el accesorio de apilamiento |
|
C |
Terminación de línea Modbus |
|
D |
Interfaces IFM encadenadas con el cable Modbus |
Se deben seguir las reglas que se indican a continuación:
-
Cada segmento Modbus aislado debe incluir una polarización en un punto y una terminación de línea Modbus en cada extremo:
-
En el segmento fuera del equipo eléctrico, la polarización de línea y una terminación se integran en el cliente Modbus, y una terminación de línea Modbus debe conectarse en el otro extremo, es decir, en el último módulo repetidor aislado RS 485 de 2 hilos (en este caso, el que se encuentra en el equipo eléctrico S3 ).
-
En el segmento dentro del equipo eléctrico, la polarización y una terminación de línea Modbus debe integrarse en el módulo repetidor aislado RS 485 de 2 hilos .
Una terminación de línea Modbus debe estar conectada al otro extremo, es decir, en la última interfaz IFM u otro servidor Modbus (en la última interfaz IFM en equipos eléctricos S1 y S2 en este caso).
-
-
Longitud máxima (Lmax) del cable principal Modbus (sin incluir las derivaciones):
-
Lmax = 500 m (1640 ft) a 38 400 baudios
-
Lmax = 1000 m (3281 ft) a 19 200 baudios
-
Caso de varios segmentos de alimentación en varios equipos eléctricos
Es obligatorio instalar un repetidor aislado RS 485 de 2 hilos en cada equipo eléctrico cuando la red Modbus está distribuida entre varios equipos eléctricos.
|
A |
Cable Modbus procedente del cliente Modbus |
|
B |
Fuente de alimentación de 24 V CC |
|
C |
Terminación de línea Modbus |
|
D |
Terminales de conexión a tierra funcional |
|
E |
Repetidor aislado RS 485 de 2 hilos |
|
F |
Interfaz IFM con número de referencia STRV00210 |

