Diretto online
Descrizione
L’avviatore Diretto online richiede i seguenti ingressi e uscite digitali:
-
Due ingressi digitali per l'avviamento locale e l'arresto locale del motore.
-
Un'uscita digitale per il comando MARCIA motore USCITA CONTATTORE 1.
Schema di cablaggio
Esempio di schema di cablaggio di TeSys Tera system in modalità Diretto online:
KM1: USCITA CONTATTORE 1
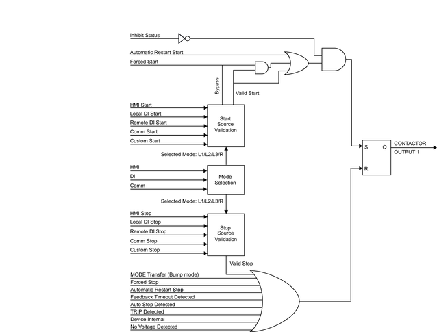
Diagramma logico
Lo schema seguente mostra lo schema logico dell'avviatore Diretto online.
Principio di funzionamento
Quando si seleziona la modalità Diretto online, l'avvio del motore può essere effettuato da una delle seguenti sorgenti:
-
Comando di avvio da un’origine valida in base alla selezione modo operativo.
-
Comando di avvio da Funzione avviamento forzato.
-
Comando di avvio da Funzione riavvio automatico.
Se viene ricevuto un comando di avviamento da una delle origini precedenti e se il motore è Pronto per l'avviamento (vale a dire nessun rilevamento di una causa di inibizione), TeSys Tera system attiva l'USCITA CONTATTORE 1.
TeSys Tera system disattiva l'USCITA CONTATTORE 1 se viene rilevata una delle seguenti cause di arresto del motore:
-
Comando di arresto da un’origine valida in base al modo operativo selezionato.
-
Comando di arresto da un ingresso digitale assegnato ad Arresto forzato (opzionale), fare riferimento a Assegnazione ingressi .
-
Comando di arresto da funzione di riavvio automatico.
-
Disinnesto rilevato
.
Assegnazione predefinita DI/DO
Quando si seleziona il tipo di avviatore Diretto online, l'assegnazione e le impostazioni predefinite degli ingressi e delle uscite digitali sono le seguenti:
|
DI parameters |
DI01 settings |
DI02 settings |
DI03 settings |
DI04 settings |
|---|---|---|---|---|
|
Trigger type |
Active high |
Active low |
Active high |
Active high |
|
Input source |
Local-START> DI |
Local-STOP DI |
Other |
Mode Selection 1 |
|
Validation time |
10 ms |
10 ms |
10 ms |
10 ms |
|
DO parameters |
DO01 settings |
DO02 settings |
DO03 settings |
|---|---|---|---|
|
Active type |
Active high |
Active high |
Active high |
|
Input source |
CONTACTOR OUTPUT 1 |
Alarm Status |
Trip Status |
|
Tag |
CNTR OP 1 |
Alarm DO |
Trip DO |
|
Output type |
Level |
Level |
Level |