DOCA0355EN-01

Modbus RTU Terminal Connection Port

Terminal Connector

The main physical characteristics of the Modbus RTU port are:

Physical interface Multipoint 2-wire RS 485 – electrical networking
Connector Screw terminal connector

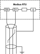
Wiring Diagram

Terminal Assignment

The table lists the terminal assignment for the Modbus RTU port.

Terminal Description
D0 Data -
D1 Data +

Blank

Not connected
Shielded earth

Wiring Characteristics

Modbus RTU cable must be a shielded twisted pair cable.

The following table describes the characteristics of screw terminals:

Pitch

5 mm

0.2 in.

Tightening torque

0.2 N•m

3 lb-in

Flat screwdriver

3 mm

0.10 in.

Port Settings

The Modbus RTU port has the following configurable settings:

Setting

Setting range

Default setting

Node address

1–247 in step of 1

1

Parity

  • None

  • Odd

  • Even

Even

Baud rate

  • 2400 bps

  • 4800 bps
  • 9600 bps
  • 19200 bps
  • 38400 bps
  • 57600 bps
  • 115200 bps

19200 bps

Timeout

1–60000 s in step of 1 s

1 s

Endianness

  • Big-endian

  • Little-endian

Big-endian

The Modbus RTU port settings can be configured using the following interfaces:

  • A PC running the TeSys Tera DTM embedded in a FDT container, such as SoMove software

  • The LTMTCUF control operator unit

  • A PLC or DCS through the communication protocol

Feedback
QR Code is a registered trademark of DENSO WAVE INCORPORATED in Japan and other countries.