Direktstarter
Beschreibung
Der Direktstarter erfordert die folgenden digitalen Ein- und Ausgänge:
-
Zwei digitale Eingänge für den lokalen Motorstart und -stopp.
-
Ein digitale Ausgang für den RUN-Befehl SCHÜTZAUSGANG 1 des Motors.
Schaltplan
Beispiel für den Schaltplan des TeSys Tera system-Systems im Direktstartermodus:
KM1: SCHÜTZAUSGANG 1
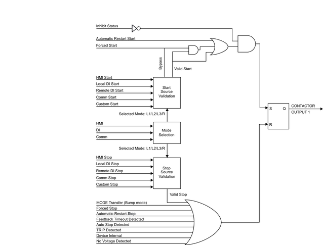
Logischer Schaltplan
Die folgende Abbildung zeigt den logischen Schaltplan eines Direktstarters (Direct Online).
Funktionsprinzip
Wenn der Direktstart-Modus (Direct Online) ausgewählt ist, kann der Motor über eine der folgenden Quellen gestartet werden:
-
Startbefehl über eine gültige Quelle gemäß der ausgewählten Betriebsart.
-
Startbefehl über die Funktion für den geforcten Start.
-
Startbefehl über die Funktion für den automatischen Neustart.
Wenn von einer der oben genannten Quellen ein Startbefehl empfangen wird und der Motor startbereit ist (also kein Sperrgrund erkannt wurde), dann aktiviert das TeSys Tera system-System den SCHÜTZAUSGANG 1.
Das TeSys Tera system-System deaktiviert den SCHÜTZAUSGANG 1, wenn eine der folgenden Motorstopp-Gründe erkannt wird:
-
Stopp-Befehl über eine gültige Quelle gemäß der ausgewählten Betriebsart.
-
Stopp-Befehl über einen digitalen Eingang, der dem geforcten Stopp zugewiesen ist (optional), siehe Eingangs- Zuweisung .
-
Stopp-Befehl über die Funktion für den automatischen Neustart.
-
Auslösung erkannt
.
DI/DO-Standardzuweisung
Wenn der Direktstarter ausgewählt ist, gelten die folgenden Standardzuweisung und -einstellungen für digitale Eingänge und digitale Ausgänge:
|
DI parameters |
DI01 settings |
DI02 settings |
DI03 settings |
DI04 settings |
|---|---|---|---|---|
|
Trigger type |
Active high |
Active low |
Active high |
Active high |
|
Input source |
Local-START> DI |
Local-STOP DI |
Other |
Mode Selection 1 |
|
Validation time |
10 ms |
10 ms |
10 ms |
10 ms |
|
DO parameters |
DO01 settings |
DO02 settings |
DO03 settings |
|---|---|---|---|
|
Active type |
Active high |
Active high |
Active high |
|
Input source |
CONTACTOR OUTPUT 1 |
Alarm Status |
Trip Status |
|
Tag |
CNTR OP 1 |
Alarm DO |
Trip DO |
|
Output type |
Level |
Level |
Level |