DOCA0006IT-08

Cablaggio del sistema di alimentazione

1PH

1PH2W L-N≤ 240 V L-N

1PH2W L-L≤ 415 V L-L

1PH3W L-L-N≤ 240 V L-N
≤ 480 V L-L

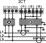
1PH4W multi L-N 2CT≤ 240 V L-N

1PH4W multi L-N 3CT≤ 240 V L-N

3PH3W

≤ 480 V L-L

≤ 480 V L-L

≤ 480 V L-L

3PH4W

≤ 277 V L-N
≤ 480 V L-L

≤ 277 V L-N
≤ 480 V L-L

≤ 277 V L-N
≤ 480 V L-L

3PH3W

3PH4W

Fusibili 250 mA e sezionatore

Blocco cortocircuito

Fusibili primari e sezionatore TT

  • indica il cablaggio per un sistema bilanciato

Etichettare in modo chiaro il meccanismo del circuito di disconnessione del dispositivo e installarlo in un punto facilmente raggiungibile dall'operatore.

I fusibili/gli interruttori devono essere:

  • Installati in conformità a tutte le normative e i codici elettrici locali e nazionali.

  • Presentare valori nominali per la tensione di installazione, corrente di guasto disponibile e dimensioni per i carichi collegati.

È necessario un fusibile sul conduttore neutro se il neutro della sorgente non è collegato a terra.

Il contatore richiede trasformatori di corrente x/5 A o x/1 A.

QR Code is a registered trademark of DENSO WAVE INCORPORATED in Japan and other countries.

Le informazioni sono state utili?