DOCA0257ZH-CN-01

LTMT Main Unit

LTMT main unitTeSys Tera system 的主模块,与不同的模块进行协调,以提供保护、控制、监视、数据存储、通讯等功能。

LTMT main unit 支持以下通讯协议:

  • Modbus RTU
  • PROFIBUS DP

  • EtherNet/IPModbus TCP/IP

LTMT main unit 的优点如下:

  • LTMT main unitLTMTCT/LTMTCTV sensor moduleLTMT expansion modules 供电。

  • LTMT main unitLTMTCT/LTMTCTV sensor module 类型无关。LTMT main unit 可用于基于电流的保护或基于电流和电压的保护。

  • LTMT main unit 可以安装在 LTMTCT/LTMTCTV sensor module 的顶部,从而减小基础模块的宽度。

除通信接口现场总线外,所有 LTMT main unit 连接在所有变体中保持不变。

有关 TeSys Tera system 安装的更多信息,请参阅 TeSys Tera Motor Management System Installation Guide – DOCA0356EN

正面示意说明

A

数字量输入接口

B

RJ45 ,用于连接 LTMT expansion module

C

RJ45 用于 HMI 和PC连接

D RJ45 端口用于 EtherNet/IPModbus TCP/IP 通信
E

设备屏蔽接地端子

F

温度输入接口

G

电源接口

H

产品信息页的对应二维码

I

行程/复位按钮

J

状态 LED

K

数字量输出接口

状态 LED

LED 名称

LED颜色指示

描述

Device

熄灭

断开电源

亮绿灯

LTMT main unit 处于健康状态(通电后自检完成即可启动)

绿灯闪烁

  • LTMT main unit 处于逻辑测试模式

  • 固件升级检测中固件升级进行中

亮红灯

检测到内部错误或配置错误

红灯闪烁

LTMT main unitLTMTCT/LTMTCTV sensor moduleLTMT expansion modules 之间的通讯丢失。

故障预置(LTMTP•• 和 LTMTM••)

Motor

熄灭

电机处于禁止状态

亮绿灯

电机处于停止状态,启动就绪

绿灯闪烁

电机正在运行

Trip/Alarm

熄灭

无脱扣或报警状态

蓝灯闪烁

存在报警状态

亮蓝灯

存在吸合状态

红灯闪烁

LTMT main unit 已脱扣,且仍然存在脱扣状态。无法复位脱扣。

亮红灯

LTMT main unit 已脱扣,且不存在脱扣状态。可以复位脱扣。

NS*

熄灭

未通电或无IP地址

绿灯常亮

已配置的客户端已连接,且IO连接已建立,或设备处于回退 模式。

绿色闪烁*

已配置 IP 地址,但未建立 IO 连接

红色闪烁(6)

通讯中断或连接超时

绿色或红色闪烁一次*

在设备开机期间,执行自检

LK *

熄灭

未建立连接 

黄灯常亮

链路

黄灯闪烁

活动

ACT*

熄灭

10 Mbps 速度 

绿灯常亮

100 Mbps 速度 

通信*

熄灭

未与 PLC 或 DCS 建立通讯。

亮绿灯

已与 PLC 或 DCS 建立通讯。

红灯闪烁

与 PLC 或 DCS 的通讯中断。

Trip/Reset Button

使用 Trip/Reset 按钮,可执行以下功能:

功能

描述

步骤

脱扣复位

复位可复位的所有脱扣。

按下按钮并在 3 秒内松开。

自检

当发生下列情况时执行自检:

  • 不存在脱扣

  • 测试模式功能已启用。

按住此按钮超过 3 s,但不超过 15 s

恢复缺省值

如果电机处于停止状态,则使 LTMT main unit 参数恢复缺省值。如果电机处于启动或运行状态,不执行缺省值恢复。

按住此按钮超过 15 s,但不超过 20 s

将此按钮按住 15 秒以上时,脱扣/报警 LED 为蓝灯闪烁。

松开按钮后, LTMT main unit 参数将重置为默认值。

导致脱扣

LTMT main unit 内部卡住的复位键脱扣。

按住此按钮超过 20 s

LTMT main unit 脱扣,并在 Trips 日志中记录脱扣。

数字量输入

LTMT main unit 具有四个无电位数字量输入(根据 EN61131-2 标准为类型 1)。

数字量输入可通过 LTMT main unit 内部供电。

当数字量输入采用内部供电时,可以使用四个数字量输入 I.1、I.2、I.3 和 I.4。

数字量输出

警告
意外的设备操作
电机与启动器一起运行时:
  • 在标称条件下:LTMT main unitLTMT expansion module的数字量输出将保持为 NC 状态并遵循 DO 输入源。
  • 在降级条件下:如果 LTMT main unitLTMT expansion module 电缆断开时, LTMT main unit的数字量NO将处于打开状态,而 LTMT expansion module的数字量输出将保持NC状态。
未按说明操作可能导致人身伤亡或设备损坏等严重后果。

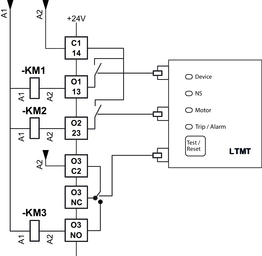
LTMT main unit 有三个数字量输出:

  • 两个带 NO 触点的输出

  • 一个带 NO+NC 触点的输出

LTMT Main Unit 温度

可以将 2 线 PT100 或 PTC 温度传感器连接到 LTMT main unit

扩展端口

扩展端口用于将可选 LTMT expansion modulesLTMT main unit 相连。所有 LTMT expansion modules 均采用菊花链连接。

LTMT HMI 端口

LTMT HMI 端口用于将可选LTMTCUF control operator unitLTMT main unit相连。有关电缆的更多信息,请参阅电缆章节。

LTMT HMI 端口的屏蔽型RJ45 连接器的引脚分配如下:

引脚号

信号

描述

1

未连接

2

未连接

3

未连接

4

D1 或 D(B)

收发器端子 1

5

D0 或 D(A)

收发器端子 0

6

未连接

7

+5V

LTMTCUF control operator unit 的辅助电源

8

0VL

信号和电源共用

反馈
QR Code is a registered trademark of DENSO WAVE INCORPORATED in Japan and other countries.