DOCA0257FR-01

LTMT Main Unit

LTMT main unit est le module principal de TeSys Tera system qui se coordonne avec différents modules afin de fournir des fonctions telles que la protection, le contrôle, la surveillance, le stockage des données, la communication, etc.

Le LTMT main unit est disponible avec les protocoles de communication suivants :

  • Modbus RTU
  • PROFIBUS DP

  • EtherNet/IP et Modbus TCP/IP

Avantages de LTMT main unit :

  • LTMT main unit fournit l’alimentation à LTMTCT/LTMTCTV sensor module et LTMT expansion modules.

  • LTMT main unit est indépendant du type de LTMTCT/LTMTCTV sensor module. LTMT main unit peut être utilisé pour la protection basée sur le courant ou les protections basées sur le courant et la tension.

  • LTMT main unit peut être monté au-dessus de LTMTCT/LTMTCTV sensor module, ce qui réduit la largeur du module de base.

À l’exception du bus de terrain de l’interface de communication, toutes les LTMT main unit connexions restent identiques dans toutes les variantes.

Pour plus d’informations sur l’installation de TeSys Tera system, consultez TeSys Tera Motor Management System Installation Guide – DOCA0356EN.

Description de la face avant

A

Connecteurs d’entrées logiques

B

RJ45 pour LTMT expansion module connexion

C

RJ45 pour HMI et connexion PC

D RJ45 ports pour EtherNet/IP et Modbus TCP/IP communication
E

Bornes de mise à la terre du blindage de l’appareil

F

Connecteur d’entrée de température

G

Connecteur d’alimentation

H

Code QR d'accès à la page d'informations produit

I

Bouton Trip/Reset

J

Voyant d’état

K

Connecteurs de sortie numérique

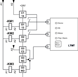
Voyant d’état

Nom du voyant

Indicateur lumineux LED

Description

Device

Éteint

Arrêt

Vert fixe

LTMT main unit est en bon état de fonctionnement (s’est allumé après l’autotest à la mise sous tension)

Vert clignotant

  • LTMT main unit est en mode test logique

  • Vérification de la mise à jour du micrologiciel et mise à jour du micrologiciel en cours

Rouge fixe

Erreur interne détectée ou erreur de configuration détectée

Rouge clignotant

La communication entre LTMT main unit et LTMTCT/LTMTCTV sensor module ou LTMT expansion modules est perdue.

Repli (LTMTP•• et LTMTM••)

Motor

Éteint

Moteur en état d’inhibition

Vert fixe

Moteur à l’état d’arrêt, prêt à démarrer

Vert clignotant

Moteur à l’état de fonctionnement

Trip/Alarm

Éteint

Aucune condition de déclenchement ni d’alarme

Bleu clignotant

Condition d’alarme présente

Bleu fixe

Condition d’activation présente

Rouge clignotant

LTMT main unit s’est déclenché et la condition de déclenchement est toujours présente. Impossible de réinitialiser le déclenchement.

Rouge fixe

LTMT main unit s’est déclenché et la condition de déclenchement n’est plus présente. Le déclenchement peut être réinitialisé.

NS*

Éteint

Pas d’alimentation ou pas d’adresse IP

Vert fixe

Le client configuré est connecté et la connexion IO est établie ou l’appareil est en mode IP de secours.

Clignotement vert*

L’adresse IP est configurée mais aucune connexion IO n’est établie

Clignotement rouge(6)

Perte de communication ou délai de connexion dépassé

Clignotement vert ou rouge une fois*

Un autotest est effectué lors de la mise sous tension de l’appareil.

LK *

Éteint

Aucune connexion établie 

Jaune fixe

Liaison

Jaune clignotant

Activité

ACT*

Éteint

Vitesse 10 Mbps 

Vert fixe

Vitesse de 100 Mbps 

Comm*

Éteint

La communication n’est pas établie avec le PLC ou le DCS

Vert fixe

La communication est établie avec le PLC ou le DCS

Rouge clignotant

La communication avec le PLC ou le DCS est perdue

Trip/Reset Button

Utilisez le bouton Trip/Reset pour exécuter les fonctions suivantes :

Fonction

Description

Procédure

Réinitialisation du déclenchement

Réinitialise tous les déclenchements pouvant être réinitialisés.

Appuyez sur le bouton et relâchez-le au bout de 3 s.

Auto-test

Exécute un auto-test lorsque :

  • Il n’y a pas de déclenchement

  • La fonction de mode test est activée.

Appuyez sur le bouton et maintenez-le enfoncé entre 3 s et 15 s.

Retour aux valeurs par défaut

Renvoie les paramètres LTMT main unit aux valeurs par défaut si le moteur est à l’état d’arrêt. Si le moteur est à l’état de démarrage ou de marche, le retour aux valeurs par défaut est ignoré.

Appuyez sur le bouton et maintenez-le enfoncé entre 15 s et 20 s.

Lorsque le bouton est enfoncé pendant plus de 15 s, le voyant Déclenchement/Alarme clignote en bleu.

Les LTMT main unit paramètres sont réinitialisés à leurs valeurs par défaut lorsque le bouton est relâché.

Provoquez un déclenchement

Mettez le LTMT main unit en mode de réinitialisation interne bloqué.

Appuyez sur le bouton et maintenez-le enfoncé pendant plus de 20 s.

Les LTMT main unit déclenchements sont enregistrés dans le journal Trips .

Entrées numériques

LTMT main unit dispose de quatre entrées numériques libres de potentiel (type 1 selon la norme EN61131-2).

Les entrées numériques peuvent être alimentées en interne via le LTMT main unit.

Lorsque les entrées numériques sont alimentées en interne, les quatre entrées numériques I.1, I.2, I.3 et I.4 peuvent être utilisées.

Sorties numériques

AVERTISSEMENT
Fonctionnement inattendu de l’équipement
Lorsque le moteur fonctionne avec le démarreur :
  • En condition nominale : Sortie numérique de LTMT main unit et LTMT expansion module restera à l’état NC et suivra la source d’entrée DO.
  • En condition dégradée : Si LTMT main unit et LTMT expansion module le câble est déconnecté, la sortie numérique de LTMT main unit sera à l’état NO, et la sortie numérique de LTMT expansion module restera à l’état NC.
Le non-respect de ces instructions peut provoquer la mort, des blessures graves ou des dommages matériels.

LTMT main unit dispose de trois sorties numériques :

  • Deux sorties SANS contact.

  • Une sortie avec contacts NO+NC

Température de LTMT main unit

Un capteur de température PT100 ou PTC à deux fils peut être raccordé au LTMT main unit.

Port d’extension

Le port d’extension est utilisé pour la connexion facultative de LTMT expansion modules avec LTMT main unit. Tous LTMT expansion modules sont connectés en daisy chain.

Port LTMT HMI

Le LTMT HMI port est utilisé pour connecter le LTMTCUF control operator unit en option avec le LTMT main unit. Pour plus d’informations sur les câbles, consultez la section Cables.

Le brochage du connecteur blindé RJ45 du LTMT HMI port est la suivante :

Broche

Signal

Description

1

Non connecté

2

Non connecté

3

Non connecté

4

D1 ou D(B)

Émetteur-récepteur borne 1

5

D0 ou D(A)

Émetteur-récepteur borne 0

6

Non connecté

7

+5V

Alimentation auxiliaire pour LTMTCUF control operator unit

8

0VL

Signal et alimentation communs

QR Code is a registered trademark of DENSO WAVE INCORPORATED in Japan and other countries.

Contenu utile ?